QSFP28 to QSFP28 100G AOC Active Optical Cable
Features
Support 100GBASE-SR4/EDR application
Compliant to QSFP28 Electrical MSA SFF-8636
Multi rate of up to 25.78125Gbps
Transmission distance up to 100m
Applications
100GBASE-SR4 at 25.78125Gbps per lane
InfiniBand QDR, EDR
Other optical links
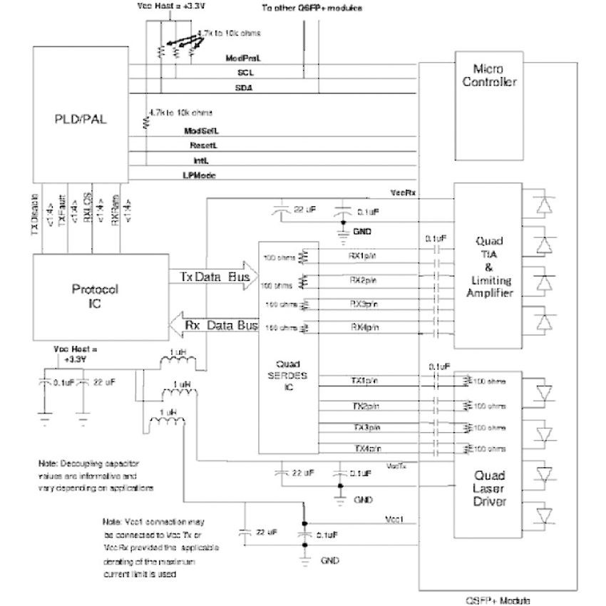
QSFP28 to QSFP28 100G AOC Active Optical Cable Recommended Interface Circuit

Monitoring Specification

Hot Tags: QSFP28 to QSFP28 100G AOC Active Optical Cable, China, manufacturers, suppliers, factory, customized, buy, price, bulk, compatible brand, 100GBASE ER4 QSFP28 Module, 32GFC SFP28 1310nm 10km, DWDM 8ch Mux demux low loss, 1 25G 80km BIDI 1550nm DFB DOM, mpo patch cord, OM4 8 Fibers LC MTP Cable
















